Equipment - Resistance Welding SCR Contactors

Solid State Ignitron Tube Replacements

SCI provides a complete line of Solid State SCR Ignitron Tube Replacements. Replacements are available in both water cooled and air cooled designs, and easily mount on existing Ignitron Tube brackets.

SCI's replacements are engineered so that no modifications are required to existing controls or timer. All wiring and assembly is complete and our Ignitron Tube Replacements are supplied with MOV and normally closed thermostat.

Installation instructions are provided upon request.

 
Water cooled - DHE Series
Ignitron Size SCI Part # Welding Transformer Size Welding Rating Amps RMS at 5% duty cycle SGL Cycle Surge Current (ITSM) SCR Voltage Rating (PIV) (VRRM)
A/B DHE800-22M
DHE1200-22M
100KVA
200KVA
1300
1700
7500
9000
2200
2200
J/C
D
DHE1500-22M
DHE1700-22M
300KVA
550KVA
1800
2300
11200
11200
2200
2200
D/E
E
DHE2500-22M
DHE3300-22M
650KVA
750KVA
2600
3200
16400
21000
2200
2200
Super E DHE7847-22M 1500KVA 6526 40000 2200

Air Cooled - DAHE Series
Ignitron Size SCI Part # Welding Transformer Size Welding Rating Amps RMS at 5% duty cycle SGL Cycle Surge Current (ITSM) SCR Voltage Rating (PIV) (VRRM)
A/B DAHE180-22M 125KVA 1540 7500 2200
C DAHE195-22M 250KVA 1810 9000 2200
D/E DAHE055-22M 500KVA 2630 16400 2200

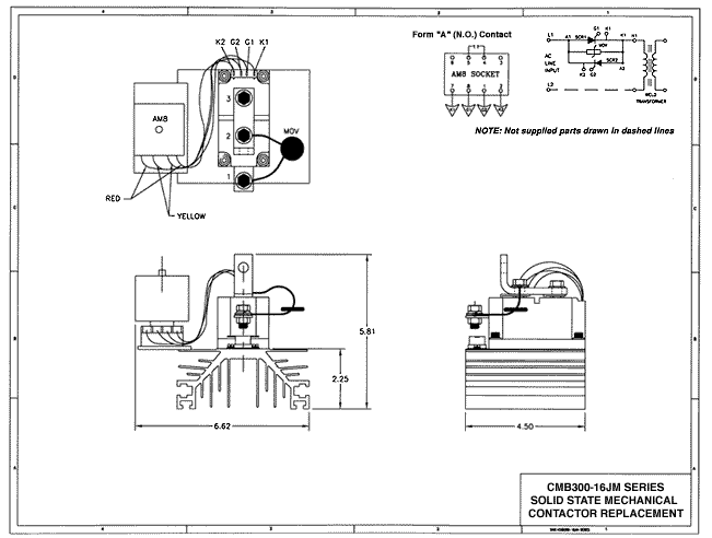
Solid State Mechanical Contactor Replacements - Air Cooled

SCI now offers a complete line of Air Cooled Solid State Mechanical Contactor Replacements for welding controls thru 60 KVA. These compact replacements feature encapsulated modules mounted on air cooled heat sink extrusions. Each heat sink is cut 4- 1/2 inches long, machined, and have a gold irridite finish. These replacements are completely assembled and tested prior to shipping.

Darrah's mechanical contactor replacements easily wire into existing circuits and are operated by external contact closure.

Extrusion #5731 / 4.5" long
SCI Part Number Welding Rating Amps RMS at various duty cycles SCR Voltage Suggested Maximum Transformer KVA (2)
  10% 20% 50% 100%   230 Line Volts 460 Line Volts
CMB175-12
CMB175-16
310
310
205
205
115
115
60
60
1200
1600
20
-
-
40
CMB275-12
CMB275-18
450
450
275
275
140
140
70
70
1200
1800
25
-
-
50
CMB300-12
CMB300-12
500
500
330
330
160
160
75
75
1200
1600
30
-
-
60

Spotwelding Consultants Inc.

4209 Industrial
Rowlett, Texas 75088

Toll Free: 888-255-6780
Phone: 972-475-0874
Fax: 972-475-5024