Water Requirements: Amps RMS is achieved with a cooling flow rate of 1.2 gallons (4.5 liters) per minute at 40°C water temperature.
Water Connections: Fits 3/8 inch hoses
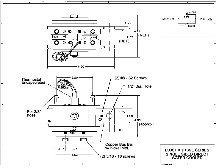
Thermostat: If required add suffix J to part number
MOV: For MOV add suffix M to part number
Example: 13DT15JM, 1300 Amps RMS, 1500 Volt, with thermostat and MOV.
Click to enlarge diagrams

|

|
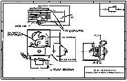
D09ST & D13SE SERIES
SINGLE SIDED DIRECT WATER COOLED
|
D21DM & D26DN SERIES
DOUBLE SIDED DIRECT WATER COOLED
|

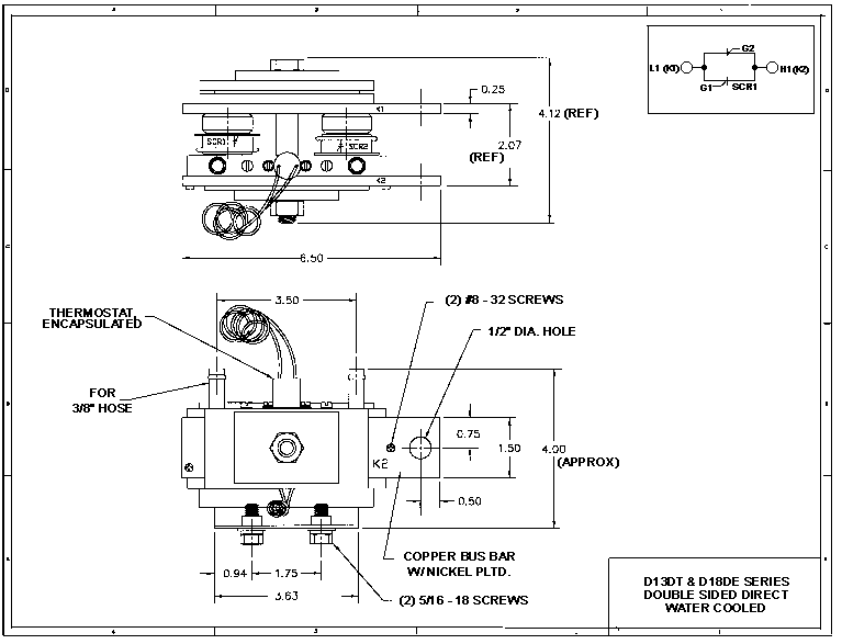
D13DT & D18DE SERIES
DOUBLE SIDED DIRECT WATER COOLED |

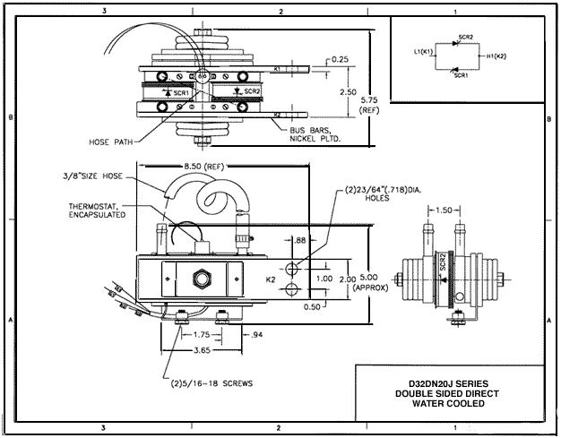
D32DN20J SERIES
DOUBLE SIDED DIRECT WATER COOLED
|
HS-6 Design
SCI HS-6 design direct double sided cooled SCR Contactors have proven to be dependable for years in resistance welding controllers.
Choose between two popular current ratings with SCR voltages to 1800 Volts.
SCI's HS-6 design switches are available with either 3/8 " or 1/2" water hose connections. As always, thermostats, MOV's and R/C snubbers are easily added.
| SCI Part Number |
Welding Rating Amps RMS at 50% Duty Cycle |
Welding Rating
Amps RMS at 100% Duty Cycle |
SGL. Cycle Surge Current (ITSM) |
SCR Voltage Rating (PIV) (VRRM) |
| DO8HS6-16 |
1200 |
800 |
5500 |
1600 |
| D12HS6-18 |
1800 |
1200 |
7500 |
1800 |
 |
DO8HS6 & D12HS6 TYPES
DOUBLE SIDED
DIRECT WATER COOLED
|
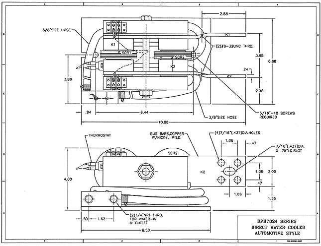
Automotive Style SCR Contactors
SCI Automotive Style SCR Contactors are the chosen favorite among high current/high voltage resistance welding users. All contactors are rated at 100% continuous and are provided with 2600 Volt SCR's.
This series is also popular for frequency converters, seam, and flash butt welding duty cycles.
Bus tang connections are standardized to fit all applications.
Four holes plus center slot. Holes are on 1.06" centers. The center slot is .5" x .75"
| SCI Part Number |
Welding Rating
Amps RMS at 100% Duty Cycle |
SGL. Cycle Surge Current (ITSM) |
SCR Voltage Rating (PIV) (VRRM) |
| DPH7825-468 |
1200 |
10000 |
2600 |
| DPH7844-468 |
1700 |
10000 |
2600 |
| DPH7845-468 |
1750 |
18000 |
2600 |
| DPH7824-468 |
2500 |
18000 |
2600 |
 |
DPH7824 SERIES
DIRECT WATER COOLED
AUTOMOTIVE STYLE
|
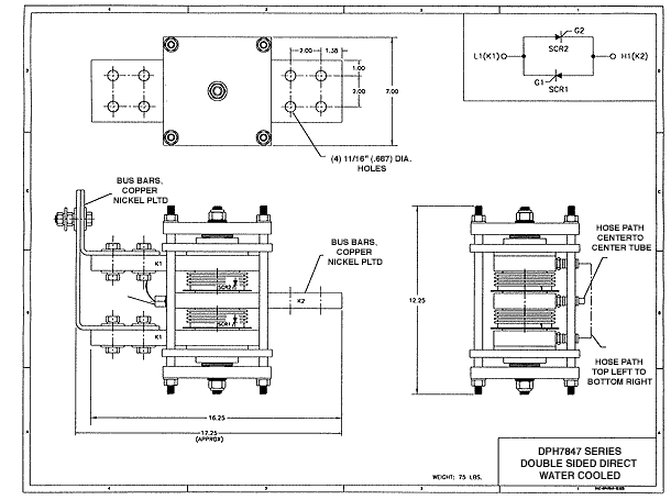
5000 Amp Heavy Duty Contactor
SCI's Heavy Duty Contactor ranks as the largest found in the resistance welding industry. Capable of welding current ratings of 8972 Amps at 10% duty cycle, the DPH7847-470 delivers 5144 Amps continuously. This contactor is in our inventory with 2200 Volt rated SCR's. This is truly the choice for heavy seam and flash butt welder controls.
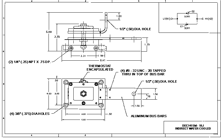
Indirect Water Cooled
SCI offers the resistance welding industry our line of indirect water cooled Contactors. Indirect water cooling refers to SCR Contactors that isolate the welding voltage from the water cooling.
These switches are manufactured in such a way that once installed in a controller, if servicing is required, the contactor is disassembled with a simple allen wrench. The SCR puck assembly can be removed, leaving the water cooled chill block intact, thus eliminating any need to disconnect or reconnect any water lines. The puck assemblies can be replaced or repaired within minutes of a failure with simple tools. Since the puck assemblies are pre-assembled, there is no need to be concerned about special torquing or mounting techniques.
SCI currently offers three types of indirect water cooled SCR Contactors. All three types have the same water cooled chill block, but offer different bus tang or power connections.
Another advantage of our line of indirect water cooled SCR Contactors is that the chill blocks are isolated from the AC line power. Contactors can be mounted directly to the side of the control cabinet, therefore eliminating the need for lengthy hoses in your enclosures.
| SCI Part Number |
Welding Rating Amps RMS at 50% duty cycle |
Welding Rating Amps RMS at 100% duty cycle |
SGL. Cycle surge current (ITSM) |
SCR Voltage rating (PIV) (VRRM) |
Bus Tang Type |
DEC12ISM18-J
|
1100 |
600 |
10000 |
1800 |
STRAIGHT |
DEC14ISM-18J
|
1100 |
600 |
10000 |
1800 |
1 Straight, 1 90° bend |
| DEC17ISM-18J |
1100 |
600 |
10000 |
1800 |
both 90° bend |

DEC14ISM - 18J
INDIRECT WATER COOLED |

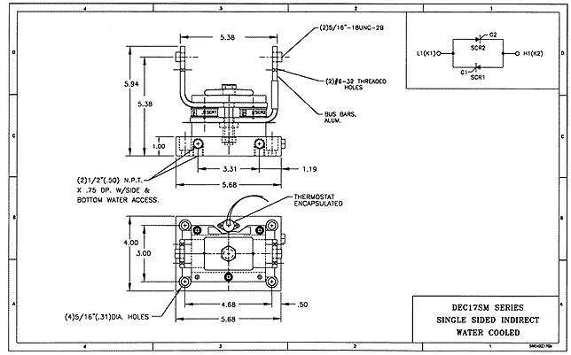
DEC17SM SERIES SINGLE SIDED
INDIRECT WATER COOLED
|
Tri Pack Assemblies for Three Phase or Cascade Controls
For Three Phase controls, dual or three cascade controls, SCI offers its line of indirect water cooled contactors mounted on a triple chill block. Choose from either of the three bus tang connections and have us mount them on our specially designed triple heat sink. This means one pair of water connections cools three contactors.
SCI's Tri-pack design is compact, thus eliminating bulky cabinets and excessive water connections.
For lighter KVA systems, we provide Isolated Tri-Pack Module Assemblies. A single water connection provides cooling for three SCR Contactors in a small convenient package.
Choose between 500 Amp or 1000 Amp RMS rated SCR Modules.
Bus bars, thermostat and MOV's are included.
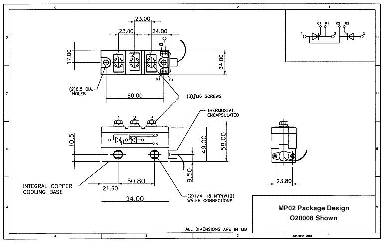
Isolated SCR Modules - Integral Water Cooled
This product line features industry standard dual SCR modules with integral water cooled bases. Our improved design has eliminated thermal barriers associated with separate cooling bases. This has increased current ratings by as much as 15%. In addition, because the water connections are directly tapped to the module base, water leaks are virtually eliminated. To further enhance water integrity, each unit is 100% pressure tested at 150 psi for one minute.
Another significant feature is that the modules are vacuum filled with a high performance, flame retardant silicone -based material at final assembly which eliminates hidden voids inside the package and prevents dust and dirt from penetrating which may cause premature failure.
SCI's integral water cooled modules are available in three popular packages.
| SCI Part Number |
Welding Rating
Amps RMS at 10% Duty Cycle |
Welding Rating
Amps RMS at 50% Duty Cycle |
Welding Rating
Amps RMS at 100% Duty Cycle |
SCR Voltage Rating (PIV) (VRRM) |
Water Connection Location |
Package Design |
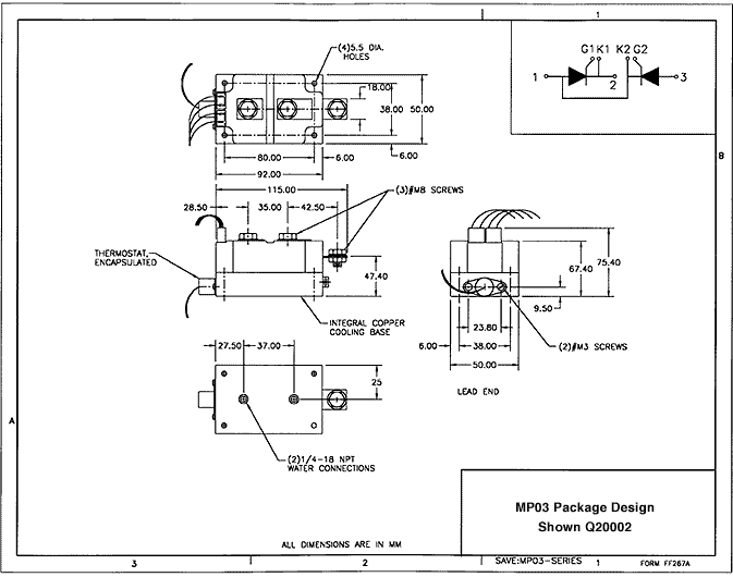
| Q20001 |
1592 |
1278 |
717 |
1800V |
Side 1-1/2' Centers |
MP03 |
| Q20002 |
1592 |
1278 |
717 |
1800V |
Bottom 1-1/2' Centers |
MP03 |
| Q20003 |
1592 |
1278 |
717 |
1800V |
Side 2" Centers |
MP03 |
| Q20006 |
1592 |
1278 |
717 |
1800V |
Side 1-1/2' Centers |
MP03 |
| Q20008 |
1068 |
755 |
450 |
1800V |
Side 2" Centers |
MP02 |
| Q20009 |
1068 |
755 |
450 |
1800V |
Bottom 2' Centers |
MP02 |
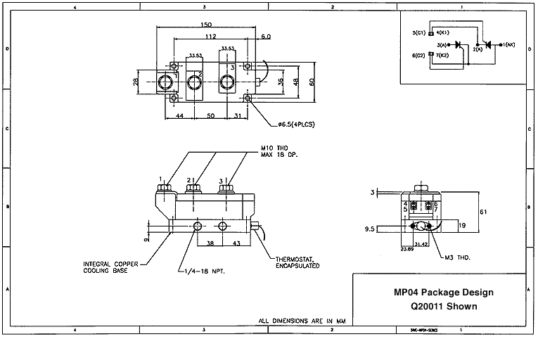
| Q20011 |
2797 |
1522 |
1097 |
1800V |
Side 1-1/2' Centers |
MP04 |
| Q20012 |
2797 |
1522 |
1097 |
1800V |
Bottom 1-1/2' Centers |
MP04 |
| Q20013 |
2797 |
1522 |
1097 |
1800V |
Side 2" Centers |
MP04 |
Water requirements: Amps RMS is achieved with a cooling flow rate of 1.2 gallons (4.5 liter) per minute at 40° water temperature
Water connections: 1/4-18 NPT tapped holes
Thermostat: All modules are supplied with an accelerated thermostat sensor, 50°C open on rise and isolated to base 2000 Volts. Thermostat leads are 24 inches long.
Options include: R/C Snubber, MOV's and bus bars.

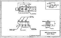
MP02 Package Design
Q20008 Shown
|

MP03 Package Design
Shown Q20002
|

MP04 Package Design
Shown Q20011 |
|