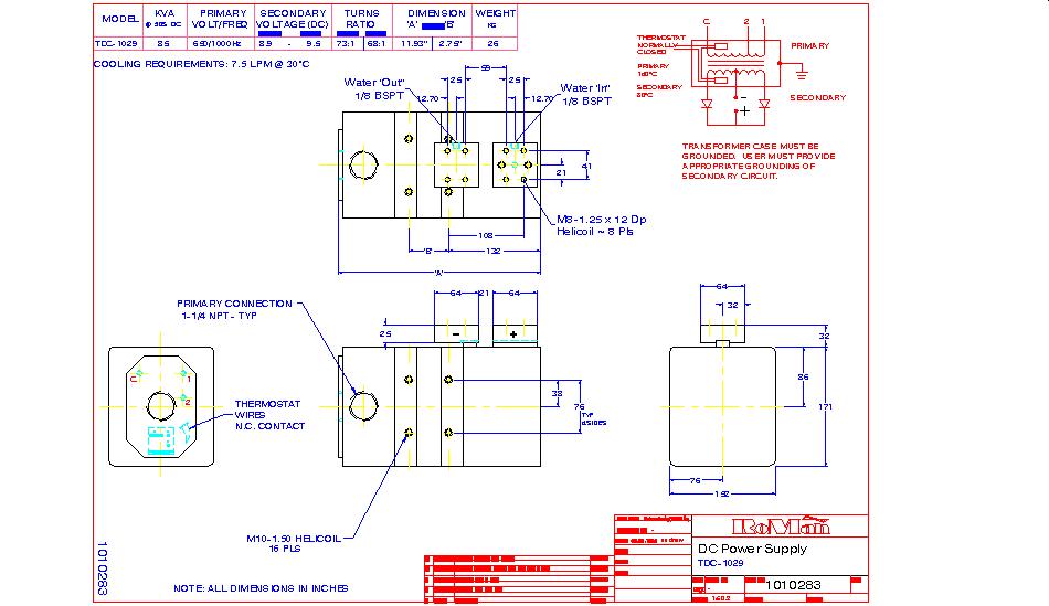
To open this file in AutoCAD click here 1010283.dwg