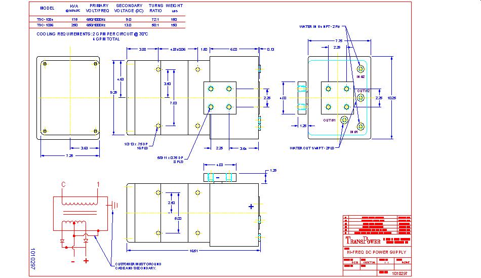
To open this file in AutoCAD click here 1010297.dwg