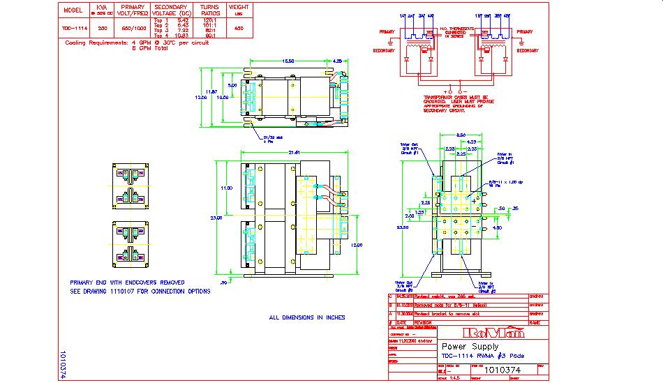
To open this file in AutoCAD click here 1010374.dwg