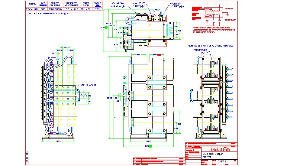
To open this file in AutoCAD click here 1010379.dwg