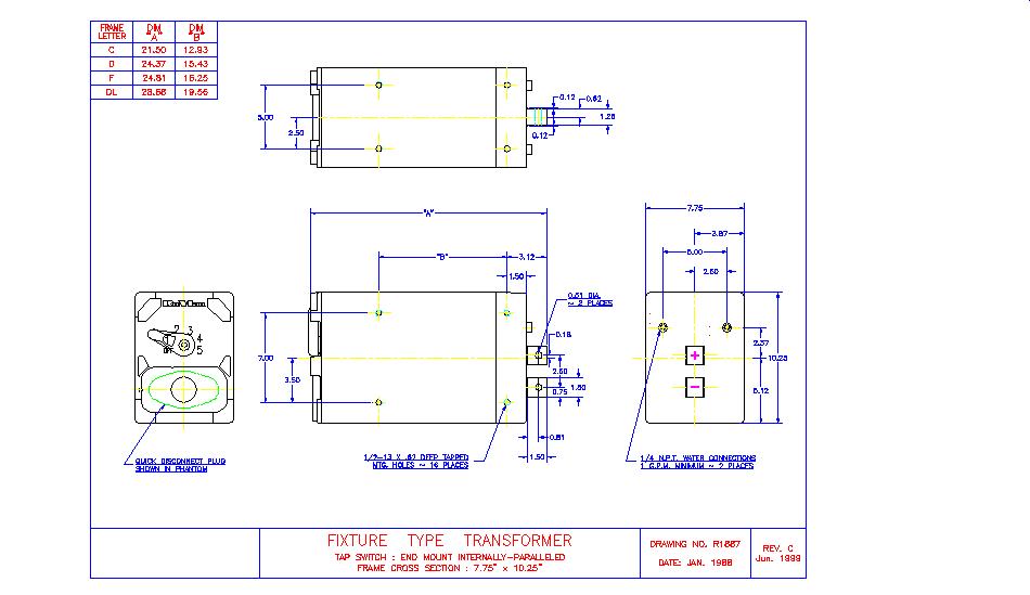
To open this file in AutoCAD click here R1887.dwg