TEETER-TIP DUAL TIP ADAPTERS
U. S. PAT. 3,356,8221
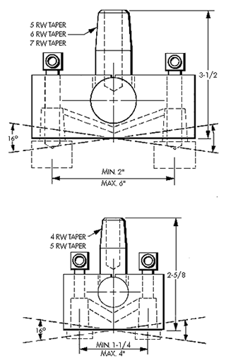
You can spot or projection weld in half the time by doubling the number of welds per machine stroke. Use Teeter-Tip dual tip adapters, which come with water-coolant fittings to beat high heat build-up. These adapters transmit total pressures of 1000 lbs., and deliver equal current and pressure to each tip. They compensate for normal electrode wear, imperfect tip dressing, and work variations up to .060 inch.
LIGHT-DUTY adapters have No. 4 or 5 RW shanks, tip spacing to 4 inches, tip sockets for 1/2 or 5/8 inch diameter male Tuffcap caps, or 4 RW tips (5/8 inch cap sockets are standard).
HEAVY-DUTY adapters have shanks from 5 to 7 RW size, tip spacing to 6 inches, tip sockets for 1/2 or 5/8 inch diameter male Tuffcap caps, or 4 or 5 RW tips (4 RW sockets are standard). These adapters have a deeper, stronger body.
The low-height 5/8 inch diameter cap-type tips are shown below. They are recommended for use in these adapters. Other standard caps, both 5/8 & 1/2 inch diameter, are tabled elsewhere. You must specify the size tip socket you want or the standard socket will be supplied.
 |
*When ordering, also state exact tip spacing and tip socket size. Example: TT - 1508 - 1-1/2 - 5CT (5CT means 5/8" diameter cap, 4CT means 1/2" diameter cap.)
|
Style
|
Shank Taper
|
Description*
|
Tip Spacing Range (inches)
|
Socket Taper |
| LIGHT Duty |
4RW |
TT-1408 |
1-1/4 to 2 |
4RW |
4RW |
4CT |
5CT |
| 4RW |
TT-1416 |
2 to 4 |
4RW |
4RW |
4CT |
5CT |
| 5RW |
TT-1508 |
1-1/2 to 2 |
4RW |
4RW |
4CT |
5CT |
| 5RW |
TT-1516 |
2 to 4 |
4RW |
4RW |
4CT |
5CT |
| HEAVY Duty |
5RW |
TT-15516 |
2 to 4 |
4RW |
5RW |
4CT |
5CT |
| 5RW |
TT-15524 |
4 to 6 |
4RW |
5RW |
4CT |
5CT |
| 6RW |
TT-15616 |
2 to 4 |
4RW |
5RW |
4CT |
5CT |
| 6RW |
TT-15624 |
4 to 6 |
4RW |
5RW |
4CT |
5CT |
| 7RW |
TT-15716 |
2 to 4 |
4RW |
5RW |
4CT |
5CT |
| |
7RW |
TT-15724 |
4 to 6 |
4RW |
5RW |
4CT |
5CT |
|
TRUNCATED CONE SE-6332
(Item No 186-0552) |
 |
FLAT FACED SE-6296
|
|