Spot Welding Supplies - Electrodes, Holders, and Accessories - Tuffaloy Products
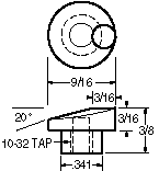
TUFFALOY PADDLE-TYPE HOLDERS AND SOCKET-TYPE TIPS
|
|||||||||||||||||||||||||||||||||||||||||||||||||
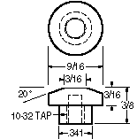
TUFFALOY PADDLE-TYPE HOLDERS AND SOCKET-TYPE TIPS
|
|||||||||||||||||||||||||||||||||||||||||||||||||
4209 Industrial
Rowlett, Texas 75088
Toll Free: 888-255-6780
Phone: 972-475-0874
Fax: 972-475-5024
