 |
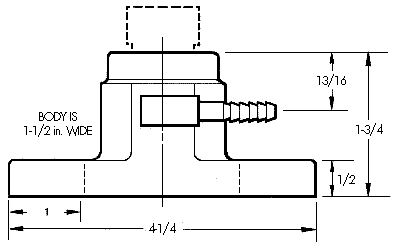
TUFFALOY PM holders may be mounted directly to press-type welder platens, or they can be used as components of special weld fixturing. They come in two sizes, which match standard T-slot spacings (either of which can be furnished to hold any of the four standard tips: 4, 5, 6, or 7 RW). The smaller holder is for use on RWMA Size 1 welders, which have the 3-1/2 inch spacing. The larger one is for the Size 2 and 3 welders, which have the 5- and 6-inch spacing.
Big, half-inch mounting bolts may be used to assure good conductivity. The holders may be used one-to-one or in multiples closely bunched. PM holders make special fixture building easy. They can be bolted to a fixture or back-up base as easily as to a platen. They are compact and have self-contained coolant systems.
|